Circular Pre-Insulating Terminals adopts pre-insulation design to effectively prevent short circuit and leakage. The product has a smooth appearance, precise size and is easy to connect with the wire. Its excellent insulation performance and weather resistance make it an ideal choice for electrical connection. Whether in indoor or outdoor environment, it can provide reliable electrical connection guarantee.
•Size of cable: 0.5~1.5mm² (American standard 22~16) •Max.Current=19A
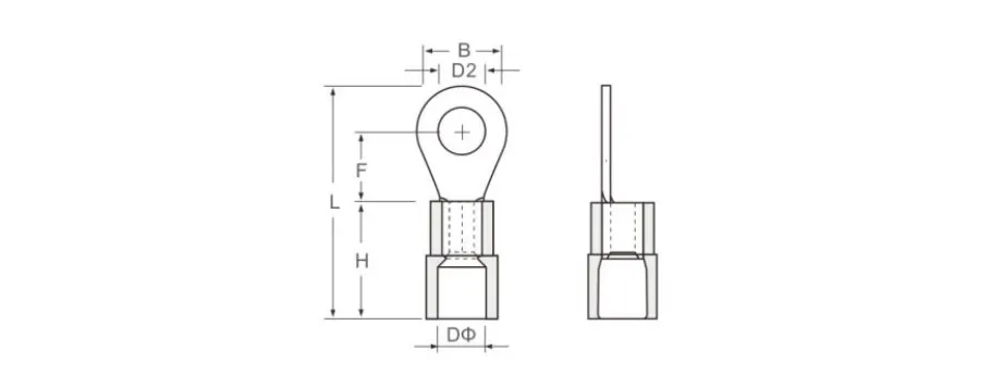
| Item NO. | Dimension | Color | ||||||
| U.S.standard screw bolt | Diameter D2 (mm) | B mm |
L mm |
F mm |
H mm |
D∅ mm |
||
| RV 1.25-3.2 | #4 | 3.2 | 5.7 | 17.8 | 4.95 | 10.0 | 4.3 | Red |
| RV 1.25-3.7S | #6 | 3.7 | 5.7 | 17.8 | 4.95 | 10.0 | 4.3 | Red |
| RV 1.25-3.7M | #6 | 3.7 | 6.6 | 20.1 | 6.3 | 10.0 | 4.3 | Red |
| RV 1.25-3.7L | #6 | 3.7 | 8 | 21.5 | 7.0 | 10.0 | 4.3 | Red |
| RV 1.25-4S | #8 | 4.3 | 6.6 | 20.1 | 6.3 | 10.0 | 4.3 | Red |
| RV 1.25-4L | #8 | 4.3 | 8 | 21.5 | 7.0 | 10.0 | 4.3 | Red |
| RV 1.25-5 | #10 | 5.3 | 8 | 21.5 | 7.0 | 10.0 | 4.3 | Red |
| RV 1.25-6 | 1/4 | 6.5 | 11.6 | 27.5 | 11.1 | 10.0 | 4.3 | Red |
| RV 1.25-8 | 5/16 | 8.4 | 11.6 | 27.5 | 11.1 | 10.0 | 4.3 | Red |
| RV 1.25-10 | 3/8 | 10.5 | 13.6 | 31.6 | 13.9 | 10.0 | 4.3 | Red |
•Size of cable: 1.5~2.5mm² (American standard 16~14) •Max.Current=27A
| Item NO. | Dimension | Color | ||||||
| U.S.standard screw bolt | Diameter D2 (mm) | B mm |
L mm |
F mm |
H mm |
D∅ mm |
||
| RV 2-3.2 | #4 | 3.2 | 6.6 | 17.8 | 4.3 | 10.0 | 4.9 | Blue |
| RV 2-3.7S | #6 | 3.7 | 6.6 | 17.8 | 4.3 | 10.0 | 4.9 | Blue |
| RV 2-3.7M | #6 | 3.7 | 6.6 | 21.0 | 7.0 | 10.0 | 4.9 | Blue |
| RV 2-3.7L | #6 | 3.7 | 8.5 | 22.5 | 7.0 | 10.0 | 4.9 | Blue |
| RV 2-4S | #8 | 4.3 | 6.6 | 21.0 | 7.75 | 10.0 | 4.9 | Blue |
| RV 2-4L | #8 | 4.3 | 8.5 | 22.5 | 7.0 | 10.0 | 4.9 | Blue |
| RV 2-5S | #10 | 5.3 | 8.5 | 22.5 | 7.75 | 10.0 | 4.9 | Blue |
| RV 2-5L | #10 | 5.3 | 9.5 | 22.5 | 7.75 | 10.0 | 4.9 | Blue |
| RV 2-6 | 1/4 | 6.5 | 12.0 | 27.6 | 11.0 | 10.0 | 4.9 | Blue |
| RV 2-8 | 5/16 | 8.4 | 12.0 | 27.6 | 11.0 | 10.0 | 4.9 | Blue |
| RV 2-10 | 3/8 | 10.5 | 13.6 | 30.2 | 13.9 | 10.0 | 4.9 | Blue |
•Size of cable: 2.5~4mm² (American standard 14~12) •Max.Current=37A
| Item NO. | Dimension | Color | ||||||
| U.S.standard screw bolt | Diameter D2 (mm) | B mm |
L mm |
F mm |
H mm |
D∅ mm |
||
| RV 3.5-4 | #8 | 4.3 | 8.0 | 24.5 | 7.7 | 12.5 | 6.2 | Black |
| RV 3.5-5S | #10 | 5.3 | 8.0 | 24.5 | 7.7 | 12.5 | 6.2 | Black |
| RV 3.5-5L | #10 | 5.3 | 12.0 | 27.9 | 7.7 | 12.5 | 6.2 | Black |
| RV 3.5-6 | 1/4 | 6.5 | 12.0 | 27.9 | 7.7 | 12.5 | 6.2 | Black |
•Size of cable: 4~6mm² (American standard 12~10) •Max.Current=48A
| Item NO. | Dimension | Color | ||||||
| U.S.standard screw bolt | Diameter D2 (mm) | B mm |
L mm |
F mm |
H mm |
D∅ mm |
||
| RV 5.5-3.7 | #6 | 3.7 | 7.2 | 21.4 | 5.9 | 12.5 | 6.7 | Yellow |
| RV 5.5-4 | #8 | 4.3 | 7.2 | 21.4 | 5.9 | 12.5 | 6.7 | Yellow |
| RV 5.5-4 | #8 | 4.3 | 9.5 | 25.5 | 8.3 | 12.5 | 6.7 | Yellow |
| RV 5.5-5 | #10 | 5.3 | 9.5 | 25.5 | 8.3 | 12.5 | 6.7 | Yellow |
| RV 5.5-6 | 1/4 | 6.5 | 12.0 | 31.5 | 13.0 | 12.5 | 6.7 | Yellow |
| RV 5.5-8 | 5/16 | 8.4 | 15.0 | 33.7 | 13.7 | 12.5 | 6.7 | Yellow |
| RV 5.5-10 | 3/8 | 10.5 | 15.0 | 33.7 | 13.7 | 12.5 | 6.7 | Yellow |
| RV 5.5-12 | 1/2 | 13.0 | 19.2 | 38.1 | 16.0 | 12.5 | 6.7 | Yellow |

PREV
Clean Our Workshop
NEXT
NULL
GET A QUOTE
+86 18966293209